Startseite » Ventile - Drosseln - Schalldämpfer » Magnetventile - YPC » 5/3-Wege Magnetventile G 1/4", Baureihe SCE400 » 5/3-Wege Magnetventil, G 1/4" (G 1/8"), belüftet, 230 V AC
5/3-Wege Magnetventil, G 1/4" (G 1/8"), belüftet, 230 V AC
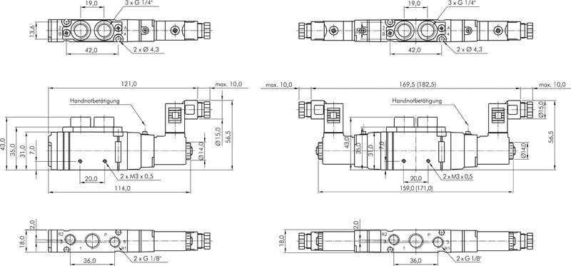
TECHNISCHE DATEN
Steuerspannung: 230 V AC
Mittelstellung: belüftet
Gewinde: G 1/4" (G 1/8")
Betriebsdruck: 2 - 10 BAR
Durchfluss: 690 L/MIN
Symbol: Z_SF1310_3.EPS
Gewicht: 0,27 KG
BESCHREIBUNG
Werkstoffe:
Körper und Schieber: Aluminium, Dichtungen: NBR, Pilot: Polyamid (glasfaserverstärkt)
Temperaturbereich:
-10°C bis +60°C
Medien:
geölte und ungeölte, gefilterte Druckluft
Schaltzeit (bei 5 bar):
< 35 ms
Steuerspannung:
Standard: 24 V=, 230 V AC, auf Wunsch: andere Spannungen
Spannungstoleranz:
± 10 %
Leistungsaufnahme:
Gleichstrom: 2,5 W, Wechselstrom: 3,5 VA (60 Hz)
Schutzart (VDE 0470/EN 60529):
IP 65, Steckergröße 0
Optional:
Steuerspannungen 12 V= -D2, 24 V AC -A4, 115 V AC -A1
Information:
Diese Ventile werden grundsätzlich mit Spule und Stecker ausgeliefert!